产品分类

联系我们

江苏扬阳化工设备制造有限公司

联系人: 陶卫娟

手 机: 15952634119

电 话: 0523-84868913

邮 箱: 15952634119@126.com

网 址: www.jsyyhg.cn

地 址: 江苏省靖江经济开发区苏源热电路

产品详情

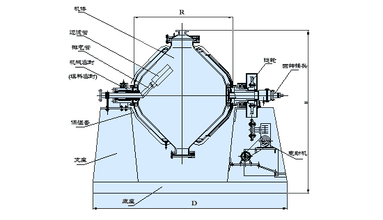
GJ型搪玻璃干燥混合机

  • 产品型号:[code]

  • 发布日期:2016-08-11
  • 更多
详细介绍

GJ型搪玻璃干燥混合机